PCスピーカーとして使用しているUSB DAC内蔵の自作スピーカーをリニューアルした。
今回は回路図と基板レイアウトを紹介する。
前回の記事はこちら↓
この記事で紹介した基板は7~8年前に設計したもので、フィルターやレイアウトの設計がイマイチで、特に低音が減衰してしまっていたためリニューアルすることにした。
回路構成は元と同じで以下のようにする。

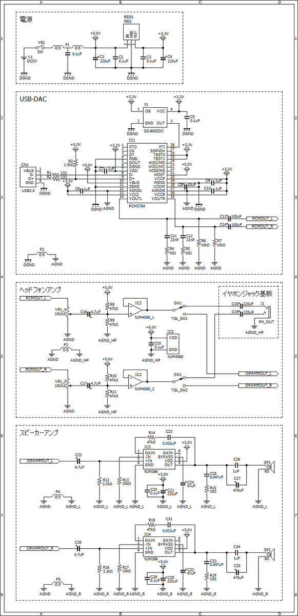
回路図は以下のようにした。

回路は大まかに分けて電源、USB DACヘッドフォンアンプ、スピーカーアンプに分かれる。
電源はアンプ用の+5.0VとUSB DAC用の+3.3Vを使用する。
アンプ用電源の電圧をもっと上げれば歪みにくくなるが、+5Vでも近所迷惑レベルで鳴らさないと歪まないし、PCM2704用に+5Vを用意しないといけない。
USB DAC部分は基本的にデータシート通り。
こだわった点はクロックで、以前は水晶振動子を使用していたが、より高精度な水晶発振器を使用した。
ヘッドホンアンプはオペアンプによるバッファーで、これがないとVR1による音量調整が上手くいかないので入れたもの。
オペアンプは両電源品なので±電源が必要だが、今回は回路を工夫して片電源で使用することにした。
具体的には、VR1直後のコンデンサで直流成分を0Vにした後、直後の47kΩプルアップ&プルダウンで直流成分を+2.5Vにする。
一方、オペアンプの電源は+5Vのため中間電圧は+2.5Vになる。
そのため、オペアンプの電源は疑似的に±2.5Vとなり、入力の直流成分は0Vということになる。
抵抗値は以前が100kΩのため半分以下ではあるが、これでもちょっと高いかも。
イヤホンジャック基板は、以前はスイッチの前に22uFを入れていたが、これのせいでヘッドホンのインピーダンスとのローパスフィルターが、可聴域も減衰するように作用してしまっていた。
また、スピーカーアンプ側のローパスフィルターも極端に低くなっていたため、コンデンサをスイッチの後に入れて、それぞれちょうどいい定数になるようにした。
スピーカーアンプは↓の記事で紹介したLM386革命アンプを流用。
その他のこだわりとしては、GNDはそれぞれフィルターを使って疑似分離した。
まぁオーディオマニアからしたら大したことはしていないだろうが、使用している部品の性能は出来るだけ生かせるようにしたつもり。
レイアウトは以下の通り。

レイアウトは色々と考えた結果、メイン基板をスタッキングコネクタを使った2段構成にすることにした。
レイアウトの色分けについては、緑がDGND、黄緑がAGND各種、赤が+5.0V、オレンジが+3.3V、水色が左CH、紫が右CH、デジタルやその他が黒となっている。
メイン基板の下段は電源とUSB DAC。
USBの配線を優先した結果、全体的に右側に寄ったがそれは仕方ない。
メイン基板の上段は各種アンプ。
それぞれGNDを分けたり、アンプ部分がGNDに囲まれるようにしたりと配線を工夫してみた。
上下の基板は、右下の+5V、中央上のDGND、左下のAGNDの3点でスタッキング接続する。
グラつく予感しかないけど、そう動かすものではないので何とかなるかな。
その他、電源スイッチ付きボリュームとイヤホンジャック用の小基板を、それぞれユニバーサル基板で製作する。
次回はプリント基板製造編。